Präzision, Logik, und Innovation – das ist mein Ansatz.
Ich im Überblick:
Studium: B.Sc. Maschinenbau, TU Darmstadt (Abschluss vorauss. 2025). Anschließend Aufnahme eines Masterstudiums in Computational Engineering mit Schwerpunkt Maschinenbau
Kompetenzen: 3D-CAD (Siemens NX, Solid Edge), numerische Simulation (CFD und MATLAB/Simulink) und Programmierung in Python
Sprachen: Französisch (Muttersprache), Deutsch (C1, TestDaF), Englisch (C1)
Soft Skills: Analytisches Denken, Teamfähigkeit, Kommunikationsstärke#
Suche: Praktikum oder Werkstudentenstelle (20h/Woche) ab August 2025 im Bereich Entwicklung/Konstruktion oder Simulation
Yvan D. NGOUNE


Willkommen auf meinem Portfolio! Ich bin Maschinenbau-Student der TU Darmstadt mit besonderem Interesse an Konstruktion, Simulation und Automatisierungstechnik. Auf dieser Webseite stelle ich Ihnen meine wichtigsten Projekte vor – von komplexen 3D-CAD-Modellen über MATLAB-Simulationen bis hin zu Programmierarbeiten in Python. Jedes Projekt spiegelt meine Begeisterung für Technik wider und zeigt, wie ich theoretisches Wissen in praktische Lösungen umsetze.
Projekte


CAD/CAM


MATLAB


Python


CAE/CFD
Zertifizierungen






Diese Zertifikate reduzieren Ihre Einarbeitungszeit: Sie zeigen, welche Tools und Methoden ich bereits strukturiert beherrsche – von 3D-CAD über numerische Auswertung bis zu technischer Dokumentation in mehreren Sprachen.
Kompetenzen
CAD/CAM
Baugruppenmodellierung & Änderungsmanagement (Siemens NX / Solid Edge)
Fertigungs- & normgerechte Zeichnungen (Bemaßung, Toleranzen)
Ableitung von Stücklisten (BOM) & Revisionen mit Git/PLM
Funktions-/Montagevisualisierung (Explosions- & Schnittansichten)
Python
Datenpipelines & Skriptautomation (NumPy, Pandas, CLI)
Scientific Plotting & Reporting (Matplotlib, JSON-Config)
Strukturierte Modul-/Framework-Entwicklung (z.B. STFS‑ConFrame)
Versionskontrolle & Code-Qualität (Git, klare Logs)
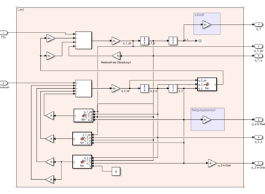
MATLAB/Simulink
Dynamik- & Schwingungsmodelle (Lagrange, Zustandsraum)
MATLAB/Simulink Modellaufbau & Parametertuning
Sensitivitäts-/Parameterstudien automatisieren
Ergebnisvisualisierung & Berichtsgrafiken (Plots, Vergleichskurven)
Weitere Tools
LaTeX & technische Dokumentation (Berichte, Abbildungen)
Linux / Shell Workflows (Automatisierung, HPC-Submission)
GitLab / GitHub (Issues, Branching, Merge Requests)
Office & Präsentation (Excel für Auswertung, PowerPoint/Canva für Visualisierung)
Soft Skills
Selbstständige Einarbeitung & proaktive Problemlösung
Qualitäts- & Validierungsbewusstsein
Team- & Kommunikationsfähigkeit (DE / EN / FR)
Lern- & Feedbackorientierung (iterative Verbesserung)
Sprachkenntnisse
Deutsch: C1 (TestDaF); tägliche Anwendung im Studium und Projektdokumentation, aktuell Vorbereitung auf das nächsthöhere Niveau C2
Englisch: (C1, verhandlungssicher; sämtliche Schuljahre bis zum Abitur in englischer Unterrichtssprache)
Französisch: Muttersprache; sichere Anwendung in technischer und akademischer Kommunikation.
CAE/CFD
Setup & Ausführung von 3D-CFD-Cases (CONVERGE, LES)
Verbrennungs- & Turbulenzmodelle anwenden / vergleichen
Automatisiertes Post-Processing & Batch-Auswertung (Python, VTK)
Modellvalidierung gegen Messdaten (Druck-, IMEP-Analyse, usw.)
Mein Profil verbindet CAD-Konstruktion, numerische Simulation (CAE/CFD) und automatisierte Datenverarbeitung. Die folgenden Kernkompetenzen zeigen, wo ich als Werkstudent direkten Mehrwert schaffe.
Messtechnik/Datenanalyse
Sensoranbindung Raspberry Pi (1‑Wire, I²C) & Datenerfassung
Signalanalyse (Filter, FFT-Grundlagen, Ausreißerbehandlung)
Kalibrierung & Plausibilitätschecks experimenteller Daten
Reproduzierbare Auswertung (Skripte + Dokumentation)
Über mich
Ich bin Maschinenbau-Student an der Technischen Universität Darmstadt und stehe kurz vor dem Abschluss meines Bachelorstudiums. Mit Leidenschaft für Konstruktion, Simulation und Programmierung entwickle ich kreative Lösungen für technische Herausforderungen. Besonders interessiert mich die Automobiltechnik – von der CAD-Konstruktion von Motoren bis zur Optimierung durch Regelalgorithmen.
In den vergangenen Studienjahren habe ich umfangreiche praktische Erfahrungen gesammelt: Durch Uni-Projekte und private Arbeiten habe ich den Umgang mit 3D-CAD (Siemens NX, Solid Edge), die numerische Simulation (MATLAB/Simulink) und die Programmierung in Python erlernt und kontinuierlich ausgebaut. Jedes Projekt in meinem Portfolio zeugt von meinem Anspruch, Theorie und Praxis zu verknüpfen.


Kompetenzen & Zertifikate:
Meine Kernkompetenzen liegen in der CAD-Konstruktion (Siemens NX, Solid Edge), der Systemsimulation (MATLAB/Simulink) und der Softwareentwicklung (Python). Zusätzlich habe ich Erfahrung in der Messdatenerfassung und -analyse (Sensorschnittstellen mit Raspberry Pi, Datenverarbeitung mit Pandas/NumPy) sowie in der Versionsverwaltung (Git) und Dokumentation (LaTeX). Diese Fähigkeiten habe ich mir im Studium und durch Projekte angeeignet und durch Zertifikate untermauert. So habe ich z.B. das TestDaF-Sprachzertifikat auf Niveau C1 erworben.
Lebenslauf
Kontaktinformationen
ngoune@yvandiran.com




Telefon
+49 174 8271219


Adresse
Thüringerstraße
64297 Darmstadt
Nachricht senden
Kontakt
ngoune@yvandiran.com
+49 174 8271219
© 2025. Yvan D. NGOUNE. All rights reserved.